Esempio Pratico

ASUS Prime Z390-A e Intel Z390

Configurazione hardware e dettagli
Un esempio pratico per comprendere l'architettura di un PC moderno

Scheda Madre: ASUS Prime Z390-A

Scheda madre ASUS Prime Z390-A con etichette dei componenti principali.
Scheda madre ASUS Prime Z390-A con etichette dei componenti principali.

La scheda madre ASUS Prime Z390-A è progettata per supportare processori Intel di nona generazione. Offre:

  • Socket LGA 1151 per processori Intel Core i7/i5/i3 di nona e ottava generazione.
  • 4 slot DIMM per memoria RAM DDR4 fino a 64 GB.
  • Slot PCI-Express per schede grafiche e di espansione.
  • Connettori M.2 e SATA per unità di memoria SSD e HDD.
  • Porte USB 3.1 Gen 2, USB 3.0 e USB 2.0.
  • Chipset Intel Z390 con supporto a RAID e overclock.

Layout di una Scheda Madre (Asus Prime Z390-A) – Porte I/O

Porte I/O posteriori della scheda madre Asus Prime Z390-A con etichette.
Porte I/O posteriori della scheda madre Asus Prime Z390-A con etichette.

Nel pannello I/O posteriore sono presenti e indicati:

  • PS2 per Tastiera/Mouse
  • Display Port
  • Connettore di Rete (RJ45)
  • Audio Surround (DTS)
  • USB 2.0 (colore nero)
  • USB 3.1 Gen.2 Tipo C
  • USB 3.1 Gen.2 Tipo A (colore celeste)
  • Connettore HDMI per Monitor/TV
  • Connettore Ottico per Audio Digitale (S/PDIF)
  • Ingresso Audio Line-In (blu)
  • Casse o Cuffie (verde)
  • Microfono (rosa)

Il Chipset (Intel Z390)

Diagramma del chipset Intel Z390 con i collegamenti a CPU, RAM, PCI-e, SATA, USB, rete, audio.
Diagramma del chipset Intel Z390 con i collegamenti a CPU, RAM, PCI-e, SATA, USB, rete, audio.

Il Chipset è un circuito integrato che include la quasi totalità delle funzionalità offerte dalla scheda madre:

  • Canale di collegamento con il processore (DMI 3.0)
  • Controller SATA per unità di memoria (6 SATA con RAID)
  • Bus di espansione PCI-Express (24 PCI-e 3.0 – x1, x2, x4)
  • Interfacce USB (14 porte: 6 USB 3.1 Gen2, 10 USB 3.1 Gen1, 14 USB 2.0)
  • Funzionalità audio (DTS a 5.1 canali audio)
  • Interfaccia di rete (GigaEthernet)
  • Altre funzioni (Wi-Fi, Bluetooth, ecc.)

Velocità dei bus/canali (Intel Z390)

  • Bus della RAM (canale Processore – RAM) ≃ 42 GB/s per canale (più precisamente: RAM DDR4 a 2666 MHz × 2 (DDR) × 8 Byte ≃ 42 GB/s a canale).
  • PCI-Express 3.0 x16 (16 canali aggregati) = 16 GB/s.
    Nota bene: 1 canale PCI-Express 3.0 (PCI-e x1) = 1 GB/s.
  • DMI 3.0 (canale Processore – Chipset) = 3,93 GB/s.
  • M.2 (PCI-e x4, interfaccia per SSD) = 4 GB/s.
  • SATA 3.0 (interfaccia per dischi, SSD, DVD) = 768 MB/s.
  • USB 3 Gen 2 = 1,25 GB/s (velocità reale ~900 MB/s).
  • USB 3 Gen 1 = 600 MB/s (velocità reale ~400 MB/s).
  • USB 2 = 60 MB/s (velocità reale ~40 MB/s).
  • Interfaccia di rete = 1 Gb/s.

Processori (Intel Core i7-9700) – Caratteristiche principali

Nome Commerciale (o model number o processor number): sigla che identifica univocamente il modello di processore (Core i7-9700).

Nome dell’Architettura: nome del “progetto” su cui si basa il processore. Più processori possono essere basati sulla stessa architettura (es. Coffee Lake).

Trimestre di Lancio: periodo in cui il processore è stato commercializzato (es. Q4’18).

Numero di Core: numero di singole unità di elaborazione presenti nel processore. I processori moderni sono “multi-core”: contengono più unità di elaborazione (CPU) indipendenti, capaci di eseguire contemporaneamente più programmi (es. 8 cores).

Frequenza di Lavoro: frequenza del clock interno del processore. Ad ogni impulso del clock, il processore effettua una micro-operazione. Si misura in GHz (1 GHz = un miliardo di impulsi al secondo). Esempio: 3 GHz. La tecnologia Turbo alza la frequenza in caso di sottoutilizzazione dei core (es. fino a 4,7 GHz).

Socket: tipo di “zoccolo” sul quale è possibile montare il processore (es. LGA 1151).

Processori (Intel Core i7-9700) – Altre specifiche

Processo Produttivo: dimensione del singolo transistor integrato (es. 14 nm). Indica il livello di integrazione con cui è realizzato il processore.

Consumo Elettrico: potenza elettrica assorbita dal processore (es. 45 W alla frequenza base).

Memoria Cache: memoria veloce interna al processore che si interpone fra la RAM e i vari core, velocizzando l’accesso alla RAM stessa (es. 12 MB).

Specifiche relative al controllo della RAM: tipo di RAM, velocità del canale, numero di canali (es. DDR4, 2666 MHz, 2 canali).

Specifiche relative alla grafica integrata: GPU, memoria, risoluzioni, uscite video, ecc. (es. UHD Graphics 630, RAM condivisa, max 4096×2304, 3 uscite video).

Specifiche relative al bus PCI-Express del processore: numero di canali PCI-e supportati e loro possibili aggregazioni (es. 16 canali: 1×16 oppure 2×8 oppure 1×8 + 2×4).

Configurazione e Collegamenti

Per configurare un sistema con la scheda madre ASUS Prime Z390-A e il processore Intel Core i7-9700, segui questi passaggi:

  1. Installa il processore nel socket LGA 1151 della scheda madre.
  2. Inserisci i moduli di memoria RAM negli slot DIMM.
  3. Collega un'unità SSD o HDD ai connettori M.2 o SATA.
  4. Installa una scheda grafica nello slot PCI-Express x16 (se necessario).
  5. Collega l'alimentazione alla scheda madre (24 pin e 8 pin).
  6. Collega le periferiche esterne alle porte USB, HDMI, o DisplayPort.

Questa configurazione è ideale per applicazioni di produttività, gaming e sviluppo software.

Installazione di un processore nel Socket LGA115x

Queste istruzioni presumono che il processore e il dissipatore di calore con ventola siano nuovi e la pasta termica sia già applicata “di fabbrica” alla parte inferiore del dissipatore di calore.

Apertura del socket e preparazione

  • Sbloccare la leva del socket dall’apposito fermo e sollevarla verso l’alto.
  • Aprire la piastra di carico.
  • Rimuovere la copertura protettiva.
    Non buttare la copertura protettiva: se il processore viene rimosso dal socket, riposizionarla sempre.
  • Non toccare i contatti nel socket o nella parte inferiore del processore.
Sbloccare la leva del socket dall' apposito fermo.
Sbloccare la leva del socket dall' apposito fermo.
Aprire la piastra di carico.
Aprire la piastra di carico.
Rimuovere la copertura protettiva.
Rimuovere la copertura protettiva.
Non toccare i contatti nel socket.
Non toccare i contatti nel socket.
Non toccare la parte inferiore del processore.
Non toccare la parte inferiore del processore.

Inserimento del processore

  • Afferrare il processore con pollice e indice.
  • Allineare i rientri sul socket con le scanalature sul processore.
  • Rilasciare con delicatezza il processore nel socket e verificare il corretto inserimento.
  • Chiudere la piastra di carico senza applicare pressione e portare la leva sotto l’apposito fermo.

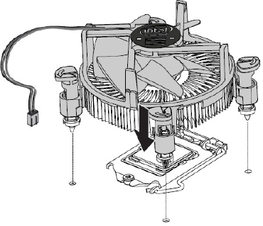
Montaggio del dissipatore e collegamento ventola

  • Con la scheda madre installata nel case, inserire la ventola/dissipatore nei fori di allineamento facendo attenzione a non danneggiare la pasta termica.
  • Premere dall’alto sui dispositivi di fissaggio uno alla volta fino a sentire il “click”.
  • Tirare con delicatezza verso l’alto ogni dispositivo di fissaggio per verificare che sia bloccato: un fissaggio errato impedisce una buona aderenza tra processore e dissipatore.
  • Collegare il connettore della ventola alla presa contrassegnata “CPU FAN” sulla scheda madre.
Afferrare il processore con il pollice e l’indice.
Afferrare il processore con il pollice e l’indice.
Chiudere la piastra di carico: non è necessario applicare alcuna pressione
Chiudere la piastra di carico: non è necessario applicare alcuna pressione.
Inserire la ventola/dissipatore di calore inserendo i dispositivi di fissaggio negli appositi fori di allineamento.
Inserire la ventola/dissipatore di calore inserendo i dispositivi di fissaggio negli appositi fori di allineamento.
Premendo dall' alto, spingere verso il basso i dispositivi di fissaggio.
Premendo dall' alto, spingere verso il basso i dispositivi di fissaggio.
Collegare il connettore della ventola, alla presa contrassegnata con CPU FAN, sulla scheda madre.
Collegare il connettore della ventola, alla presa contrassegnata con CPU FAN, sulla scheda madre.